
* Izložena u salonu - Ivićeva 1
TEHNIČKE KARAKTERISTIKE
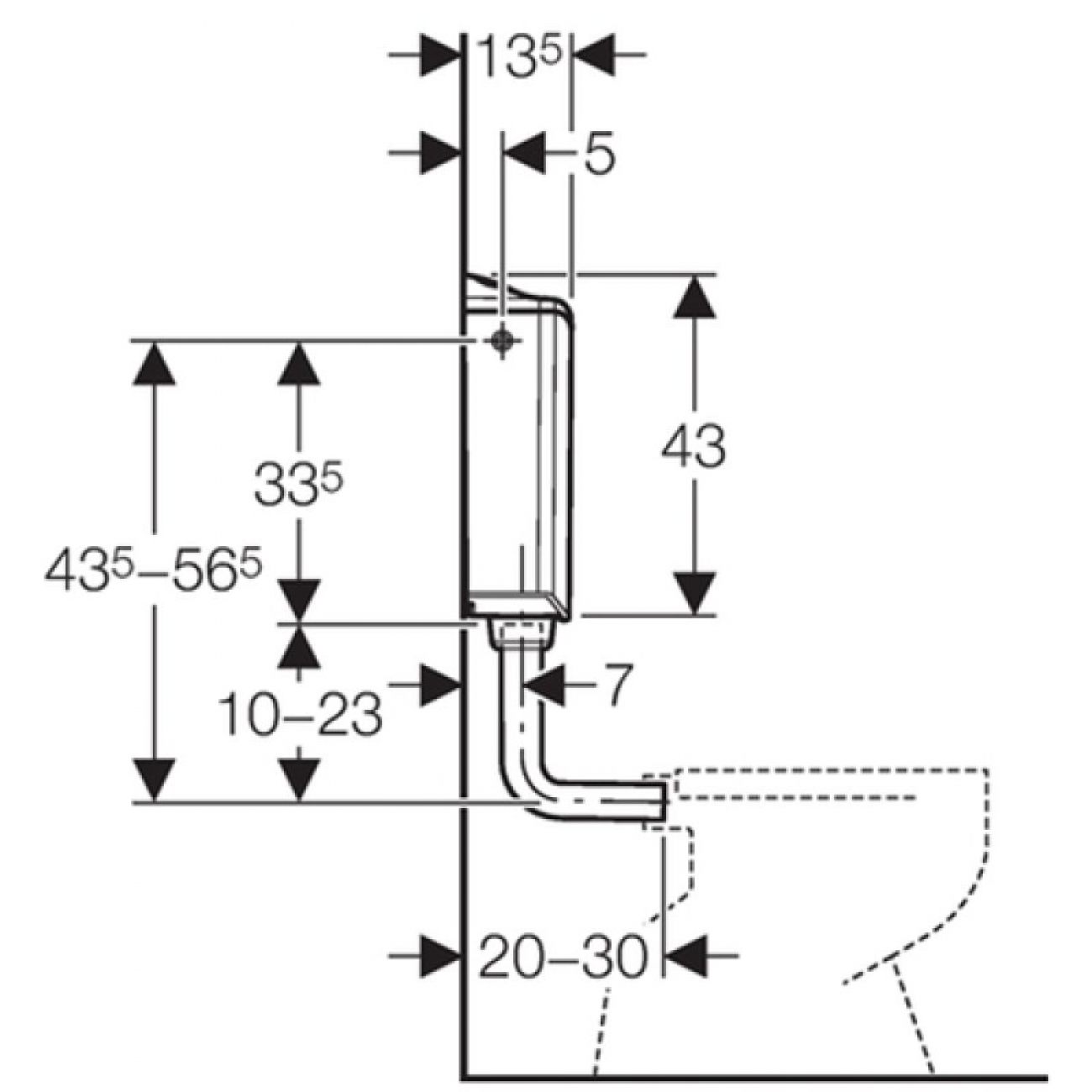
- 6-litarski predzidni vodokotlić
- Proizveden od ABS plastike
- Dvokoličinska tehnika ispiranja
- Podesiva količina vode 2,5-4 i 4,5-7,5l
- Priključak vode sa 3 strane
- Sa priloženom izlivnom cevi i šablonom za montažu
- Niska montaža
Prodaja na više rata bez kamate
Saznaj više .
U cenu je uračunat PDV. Cene možemo menjati bez prethodne najave. Svi artikli koji su prikazani na sajtu su informativnog karaktera. Za više informacija o artiklu, molimo da nas kontaktirate.